Duct Bend Management

This bend limiting device provides a safe bend pathway for microducts to the customer or distribution box and is suitable for direct burial into the ground.

It can be used either to route a single tube or for branching off a single tube from a multitude assembly.

It is designed for use with tubes up to 25mm O.D. which can be simply placed into the L – shape bend management and held in place with cable ties.

The bend limiter is also available as an interior version and complies with V0 according to UL 94 standard

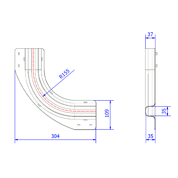
Sizes

Dimensions 304x109x37mm
Bend Radius 155mm
Compatibility Up to 25mm O.D Tubes

 

Resources

    Datasheet

    Brochure